We ship from multiple warehouses throughout the USA
to get you what you need as fast as possible!
Millions of items in stock!
Fast online checkout - No account required
Cart 0
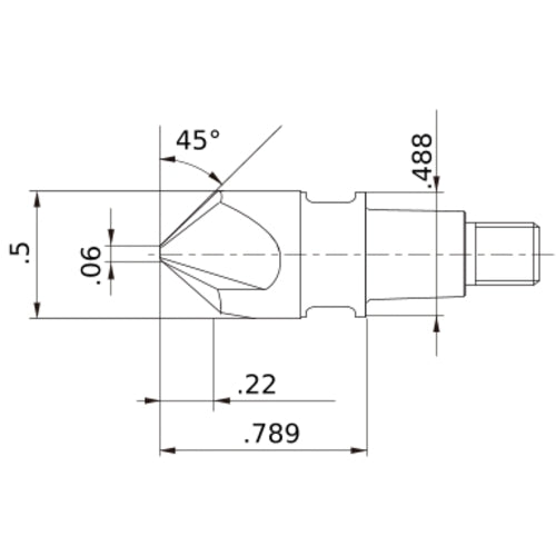
IMX12CH3L0500A45 EP7020 SOLID EM

IMX12CH3L0500A45 EP7020 SOLID EM


Item #: MB0310528150
Brand: Mitsubishi Materials USA
Model #: 10528150

Product Specifications
Cutting Diameter (DC) 1/2″
Grade EP7020
Connection Diameter Machine Side (DCONMS) 0.488″
Head Length (LH) 0.789″
Depth of Cut Maximum (APMX) 0.22″
Peripheral Effective Cutting Edge Count (ZEFP) 3
Cutting Edge Material Carbide
Decimal Equivalent 0.5″
Flute Helix Angle (FHA) 5 Degrees
Measurement Type Inch
End Shape Chamfer
Series/List # iMX_CH3L_INCH
Applicable Material Steel | Stainless Steel | Super-Alloys / Titanium | Aluminum / Non-Ferrous Materials
Tool Cutting Edge Angle (KAPR) 45 Degrees
$ 154.88