We ship from multiple warehouses throughout the USA
to get you what you need as fast as possible!
Millions of items in stock!
Fast online checkout - No account required
Cart 0
VF3XBR0040T0024L006

VF3XBR0040T0024L006


Item #: MB03449617
Brand: Mitsubishi Materials USA
Model #: 449617

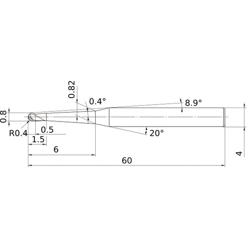
Product Specifications
Cutting Diameter (DC) 0.8 mm
Corner Radius (RE) 0.4 mm
Connection Diameter Machine Side (DCONMS) 4 mm
Neck Diameter (DN) 0.82 mm
Depth of Cut Maximum (APMX) 0.5 mm
Body Half Taper Angle (BHTA) 0.4 Degrees
Overall Length (OAL) 60 mm
Length Group Taper Neck
Coating VF
End Shape Ball Nose
Flute Count (NOF) 3
Measurement Type Metric
Flute Helix Angle (FHA) 30 Degrees
Series/List # VF3XB
Usable Length (LU) 1.5 mm
$ 80.64