We ship from multiple warehouses throughout the USA
to get you what you need as fast as possible!
Millions of items in stock!
Fast online checkout - No account required
Cart 0
VF3XBR0075T0130L015

VF3XBR0075T0130L015


Item #: MB03451021
Brand: Mitsubishi Materials USA
Model #: 451021

Product Specifications
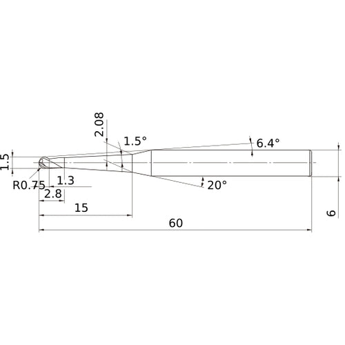
Cutting Diameter (DC) 1.5 mm
Corner Radius (RE) 0.75 mm
Connection Diameter Machine Side (DCONMS) 6 mm
Neck Diameter (DN) 2.08 mm
Depth of Cut Maximum (APMX) 1.3 mm
Body Half Taper Angle (BHTA) 1.5 Degrees
Overall Length (OAL) 60 mm
Length Group Taper Neck
Coating VF
End Shape Ball Nose
Flute Count (NOF) 3
Measurement Type Metric
Flute Helix Angle (FHA) 30 Degrees
Series/List # VF3XB
Usable Length (LU) 2.8 mm
$ 91.99