We ship from multiple warehouses throughout the USA
to get you what you need as fast as possible!
Millions of items in stock!
Fast online checkout - No account required
Cart 0
VF3XBR0125T0130L020

VF3XBR0125T0130L020


Item #: MB03451266
Brand: Mitsubishi Materials USA
Model #: 451266

Product Specifications
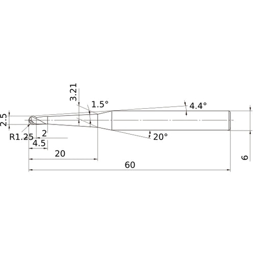
Cutting Diameter (DC) 2.5 mm
Corner Radius (RE) 1.25 mm
Connection Diameter Machine Side (DCONMS) 6 mm
Neck Diameter (DN) 3.21 mm
Depth of Cut Maximum (APMX) 2 mm
Body Half Taper Angle (BHTA) 1.5 Degrees
Overall Length (OAL) 60 mm
Length Group Taper Neck
Coating VF
End Shape Ball Nose
Flute Count (NOF) 3
Measurement Type Metric
Flute Helix Angle (FHA) 30 Degrees
Series/List # VF3XB
Usable Length (LU) 4.5 mm
$ 150.72