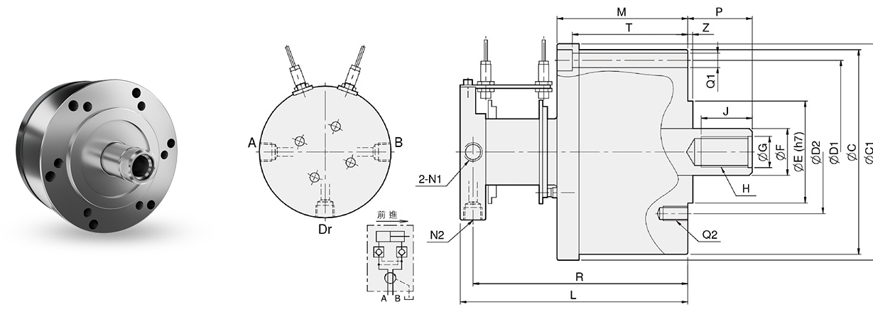
MR Hydraulic Cylinder

- Light weight design can reduce the spindle loading for vertical lathe application.
- Built-in check valve and proximity switch brackets.
- Developed for rear locking installation.
| Piston Dia. (mm) |
Piston Area (cm²) |
Max. Draw Bar Force kN(kgf) |
Piston Stroke (mm) |
Max. Operating Pressure MPa(kgf / cm² |
Max. Speed (r.p.m.) |
Moment Of Inertia I (kg.m²) |
Weight (kg) |
Total Leakage L/min |
SPEC Part Number | Price Each | ||
| Push Side | Pull Side | Push Side | Pull Side | |||||||||
| 150 | 171.1 | 156.7 | 72(7342) | 66(6730) | 35 | 4.5(45.9) | 5500 | 0.043 | 12.8 | 0.8 | MR15035 | Call or Email |
| 200 | 310 | 286 | 146(14887) | 134(13664) | 60 | 4.9(50) | 5500 | 0.55 | 49 | 2 | MR20060 | Call or Email |
| 250 | 481.5 | 453.6 | 227(23147) | 214(21822) | 60 | 4.9(50) | 2000 | 0.81 | 72 | 2 | MR25060 | Call or Email |
| C | C1 | D1 | D2 | E (h7) |
F | G | H | J | L | M | N1 | N2 | P max. |
P min. |
Q1 | Q2 | R | T | Z | DIM Part Number | Price Each |
| 202 | 204 | 180 | 130 | 110 | 45 | 31 | M30x3.5 | 45 | 175 | 95 | PT 3/8" | PT 1/4" | 61 | 26 | 6-Ø13 | 12-M12 | 163 | 82 | 5 | MR15035 | Call or Email |
| 250 | 255 | 225 | 145 | 120 | 55 | 37 | M36x4.0 | 60 | 270 | 156 | PT 1/2" | PT 1/2" | 85 | 25 | 6-Ø17 | 6-M16 | 255 | 140 | 6 | MR20060 | Call or Email |
| 300 | 305 | 275 | 220 | 160 | 65 | 44 | M42x3.0 | 60 | 280 | 168 | PT 1/2" | PT 1/2" | 85 | 25 | 6-Ø17 | 6-M20 | 265 | 150 | 6 | MR25060 | Call or Email |