Cutting Tools - Indexable Insert Tools
Indexable Drilling
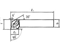
Spade Drills - With Replacement Inserts
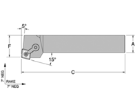
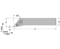
Boring - Steel, Heavy Metal & Carbide Boring Bars & Inserts

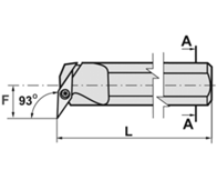
SANDVIK Style Boring Bars - Min bore .500-1.000 - STFCR/STUCR Bars using TCMT (60° Triangle) Inserts





























































































