We ship from multiple warehouses throughout the USA
to get you what you need as fast as possible!
Millions of items in stock!
Fast online checkout - No account required
Cart 0
IMX16C4FD0625MC

IMX16C4FD0625MC


Item #: MB0310565513
Brand: Mitsubishi Materials USA
Model #: 10565513

Product Specifications
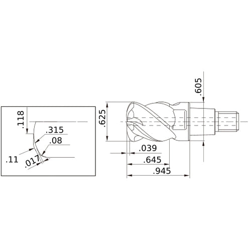
Cutting Diameter (DC) 5/8″
Flute Helix Angle (FHA) 45 Degrees
Applicable Material Steel | Stainless Steel | Super-Alloys / Titanium | Aluminum / Non-Ferrous Materials
Grade EP7020
Flute Count (NOF) 4
Measurement Type Inch
Corner Radius (RE) 0.08″
Cutting Edge Material Carbide
Depth of Cut Maximum (APMX) 0.039″
Series/List # iMX_C4FD_C_INCH
Connection Diameter Machine Side (DCONMS) 0.605″
End Shape Corner Radius
Functional Length (LF) 0.945″
Ramping Angle Maximum (RMPX) 2.8 Degrees
$ 222.52