 
        ASX400R0612E FACE MILL
Item #: MB03198723
Brand: Mitsubishi Materials USA
Model #: 198723
| Product Specifications | |
|---|---|
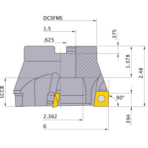
| Cutting Diameter (DC/DCX) | 6″ | 
| Measurement Type | Inch | 
| Cutting Diameter (DC) | 6″ | 
| Functional Length (LF) | 2.48″ | 
| Depth of Cut Maximum (APMX) | 0.394″ | 
| Tool Cutting Edge Angle (KAPR) | 90 Degrees | 
| Connection Diameter Machine Side (DCONMS) | 1-1/2″ | 
| Series/List # | ASX400_INCH | 
| Cutting Direction (HAND) | Right Hand | 
