We ship from multiple warehouses throughout the USA
to get you what you need as fast as possible!
Millions of items in stock!
Fast online checkout - No account required
Cart 0
MS4XLD0500N500

MS4XLD0500N500


Item #: MB03363910
Brand: Mitsubishi Materials USA
Model #: 363910

Product Specifications
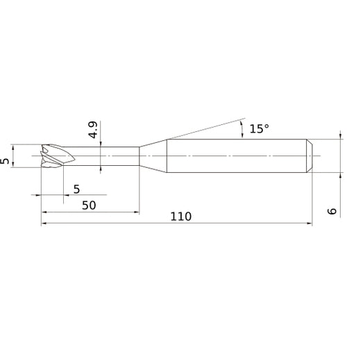
Cutting Diameter (DC) 5 mm
Usable Length (LU) 50 mm
Connection Diameter Machine Side (DCONMS) 6 mm
Neck Diameter (DN) 4.9 mm
Depth of Cut Maximum (APMX) 5 mm
Body Half Taper Angle (BHTA) 15 Degrees
Overall Length (OAL) 110 mm
Peripheral Effective Cutting Edge Count (ZEFP) 4
Coating MS
Length Group Long - Necked
Flute Count (NOF) 4
Measurement Type Metric
Flute Helix Angle (FHA) 30 Degrees
Series/List # MS4XL
End Shape Center Cutting
$ 181.66