We ship from multiple warehouses throughout the USA
to get you what you need as fast as possible!
Millions of items in stock!
Fast online checkout - No account required
Cart 0
VFHVRBD010R02N010T09 SOLID CARB EM

VFHVRBD010R02N010T09 SOLID CARB EM


Item #: MB03568245
Brand: Mitsubishi Materials USA
Model #: 568245

Product Specifications
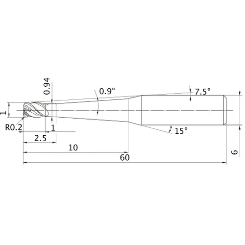
Cutting Diameter (DC) 1 mm
Corner Radius (RE) 0.2 mm
Connection Diameter Machine Side (DCONMS) 6 mm
Neck Diameter (DN) 0.94 mm
Depth of Cut Maximum (APMX) 1 mm
Body Half Taper Angle (BHTA) 0.9 Degrees
Overall Length (OAL) 60 mm
Peripheral Effective Cutting Edge Count (ZEFP) 4
Coating VF
Length Group Taper Neck
End Shape Corner Radius
Measurement Type Metric
Usable Length (LU) 2.5 mm
Series/List # VFHVRB_TAPER_NECK
$ 80.67