We ship from multiple warehouses throughout the USA
to get you what you need as fast as possible!
Millions of items in stock!
Fast online checkout - No account required
Cart 0
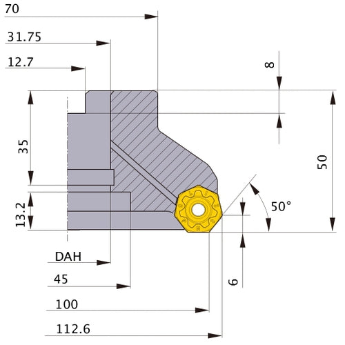
AHX640SR10005DA MILL

AHX640SR10005DA MILL


Item #: MB03611506
Brand: Mitsubishi Materials USA
Model #: 611506

Product Specifications
Cutting Diameter (DC/DCX) 100 mm
Cutting Direction (HAND) Right Hand
Cutting Diameter (DC) 100 mm
Measurement Type Metric
Cutting Diameter Maximum (DCX) 112.6 mm
Functional Length (LF) 50 mm
Depth of Cut Maximum (APMX) 6 mm
Tool Cutting Edge Angle (KAPR) 50 Degrees
Connection Diameter Machine Side (DCONMS) 31.75 mm
Series/List # AHX640S
$ 1,044.78